Silinder gelongsor ketepatan dua paksi HLQ
Kelebihan Produk
1. Pelbagai jenis gabungan blok luaran adalah pilihan: pelbagai jenis gabungan blok luaran disediakan untuk memudahkan pemilihan di bawah keadaan kerja yang berbeza
2. Reka bentuk sendi terapung: Usisayang reka bentuk sendi terapung rod omboh tidak menanggung tork beban tambahan
3. Rel panduan linear berketepatan dua kali: Rel panduan linear berketepatan dua kali ganda, untuk mencapai ketepatan tinggi, ketegaran tinggi, prestasi pencegahan karat dan habuk
4. Dua acuan tetap azimut: permukaan atas dan bahagian hadapan meja slaid dilengkapi dengan lubang skru pemasangan untuk acuan tetap, dan permukaan atas blok slaid dilengkapi dengan lubang pin kedudukan pemasangan
5. Silinder tetap tiga hala: melalui lubang dikhaskan di atas blok slaid untuk memudahkan penetapan badan dari atas, dan bahagian bawah dan bahagian hujung badan dipasang dengan lubang skru pemasangan, dan bahagian bawah badan dilengkapi dengan lubang pin kedudukan pemasangan untuk memasang silinder tetap dari tiga arah, mudah untuk digunakan
butiran produk:
Silinder slaid ketepatan dua paksi HLQ adalah sejenis silinder dengan ketepatan tinggi dan ketegaran yang tinggi. Ciri-cirinya termasuk rel panduan linear berketepatan dua, yang mempunyai prestasi anti-karat dan kalis habuk yang sangat baik. Reka bentuk rod omboh berganda, keluaran berganda; Silinder tetap tiga kedudukan dan lekapan tetap dua kedudukan, mudah dipasang; Sambungan terapung menyambungkan gelangsar untuk mengelakkan tork beban tambahan pada rod omboh; Pelbagai kombinasi blok luaran adalah pilihan; Dan dilengkapi dengan alur pelekap sensor.
1. Alur pemasangan sensor: Bahagian sisi badan disediakan dengan alur pemasangan, mudah untuk memasang sensor
2. Struktur rod omboh berganda, reka bentuk rod omboh berganda, boleh mendapat output berganda
3. Berbilang silinder diameter berbilang lejang pilihan; 6, 8, 12, 16, 20, 25 dan diameter silinder lain adalah pilihan; Setiap diameter silinder sepadan dengan pelbagai spesifikasi perjalanan, mudah untuk dipilih
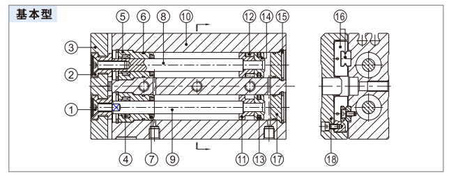
Struktur dalaman silinder gelongsor ketepatan dua paksi HLQ
序号 |
名称 |
材质 |
序号 |
名称 |
材质 |
1 |
Skru benam balas soket |
Keluli karbon sederhana atau keluli aloi rendah |
10 |
noumenon |
aloi aluminium |
2 |
simpang terapung |
· Keluli Pemesinan Percuma |
11 |
· Asas Magnetik |
loyang |
3 |
pinggan mati |
aloi aluminium |
12 |
magnet |
Boron besi rubidium tersinter |
4 |
· Paksi |
NBR |
13 |
Omboh O rim |
NBR |
5 |
protegulum |
aloi aluminium |
14 |
omboh |
loyang |
6 |
· Cincin-O |
NBR |
15 |
Gancu lubang |
keluli musim bunga |
7 |
kusyen kemalangan |
TPU |
16 |
Pemasangan panduan linear |
|
8 |
Rod omboh A |
keluli tahan karat |
17 |
penutup belakang |
loyang |
9 |
Rod omboh B |
keluli karbon sederhana |
18 |
laluan gelincir |
aloi aluminium |
Spesifikasi rujukan luaran silinder gelongsor ketepatan dua paksi HLQ
stroke\simbol |
A |
AB |
AC |
JB |
JC |
KB |
LB |
LC |
M |
N |
PA |
PB |
R |
10 |
48 |
41.5 |
42 |
16 |
13 |
22 |
23 |
6 |
4 |
2 |
16 |
9 |
21.5 |
20 |
58 |
51.5 |
52 |
26 |
13 |
25 |
26 |
13 |
4 |
2 |
26 |
9 |
31.5 |
30 |
68 |
61.5 |
62 |
20 |
29 |
21 |
lihat carta |
lihat carta |
6 |
3 |
36 |
9 |
41.5 |
40 |
86 |
79.5 |
80 |
28 |
39 |
26 |
28 |
11 |
6 |
3 |
47 |
16 |
51.5 |
50 |
96 |
89.5 |
90 |
28 |
49 |
27 |
28 |
21 |
6 |
3 |
64 |
9 |
61.5 |
Penghantaran:
Kilang:
Sebagai peneraju dalam industri pengeluaran komponen pneumatik China: Shandong Baedi Pneumatic Technology Co., Ltd. sedang membuat lonjakan kualitatif, Shandong Baedi Pneumatic Technology Co., LTD., yang ditubuhkan pada 2008, ialah perusahaan teknologi tinggi yang diiktiraf kerajaan, Shandong Wilayah "perusahaan gazelle", khusus negara baru "gergasi kecil" perusahaan, terutamanya terlibat dalam komponen hidraulik pneumatik, peranti dan komponen tambahan. Injap solenoid, peranti penapis, bahagian asas mekanikal, peralatan automasi industri dan perniagaan lain. Adalah penyelidikan dan pembangunan, pengeluaran, jualan dalam salah satu skala perusahaan, produknya mengikut reka bentuk dan pengeluaran piawaian antarabangsa, dan diletakkan di bahagian hulu pasaran, "BESTEN"nya ialah jenama terkenal negara.







